 
                                                            据付前のご注意
- 
	ヘルスパは、アクリル部分を段ボール等で養生した状態で出荷します。アクリル樹脂はキズつきやすいので、工事終了まで外さないで下さい。やむ得ずはすず場合でも最低限の範囲にし、終了次第ただちに戻して下さい。また、工事中に付いたキズの補修は有料となりますのでご了承ください。 
- 
	搬入及びピット内への据付には、配管・金具等の付属部品を絶対に持たないで下さい。破損や故障の原因となります。 
- 
	クレーンで吊る場合は必ずスリングベルトを使用し配管・金具等に当たらないようにして下さい。また、浴槽に当たる部分は養生して下さい。 
- 
	塗料・モルタル等を付着させないで下さい。また、溶接の火花はヘルスパの表面・裏面を焦がし、燃焼の恐れがありますのでご注意ください。 
施工時期
基礎を含むピット内及び躯体の仕上がり後(床FL仕上げ前)とします。
施工方法
- 
	基礎工事・・・ヘルスパは満水時は800kg以上になりますので、ご使用になられるヘルスパの満水総重量に耐えられる基礎施工をして下さい。 
- 
	ヘルスパの支持脚に合わせて基礎を、特に水平については念入りに施工して下さい。基礎の高さは支持脚の位置より20mm低く施工して下さい。(レベル調整の為) 
- 
	ヘルスパは基礎の上に静かに置いて下さい。 
- 
	ヘルスパの天端面でレベルを出して下さい。 
- 
	位置及びレベル調整後、アンカー等で固定して下さい。 
- 
	各配管・金具等を接続して下さい。 
 
                                                            - 
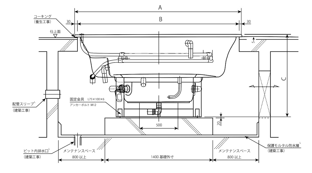
	ヘルスパの図面の寸法からピットを設定して下さい。スラブ開口寸法は仕上寸法でヘルスパの外寸Aから60mm引いたB寸法で設定して下さい。基礎高さについてはヘルスパ高さC+20mm(据付時レベル調整代)にして下さい。 
- 
	ピット内での配管接続工事及びメンテナンス等のために基礎周辺を800mm以上のスペースを確保して下さい。また、確保出来ない場合はメンテナンス等が可能なように点検口を増設するなどの施工方法をご検討ください。 
- 
	据付工事は、床面の仕上の施工前、またピット内の防水工事(保護モルタル防水層)完了後に行って下さい。 
- 
	ヘルスパを所定の位置に仮置きし、天端部レベルを測定しながら付属のアクリルスペーサー等を脚の下に差し込んでレベル調整して下さい。位置合わせとレベル調整が済みましたら付属の固定金具とアンカーで基礎に固定して下さい。 
- 
	ヘルスパ回りの配管ソケット等と設備側の配管を接続して下さい。 
- 
	床面仕上工事完了後、ヘルスパ回りのコーキング処理をして下さい。 
| 注意事項 
 | 
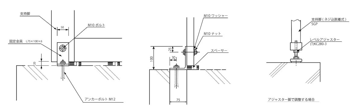
スパの固定
 
                                                            - 
	位置決め後、脚部を付属の固定金具とアンカーで基礎に固定して下さい。 
- 
	高さを調整して脚が浮いている所は、モルタルで隙間を埋めて下さい。 
- 
	メンテスペースが確保出来ない場合は、モルタルでレベル調整をして下さい。 
- 
	上縁面部だけ支えるような施工はしないで下さい。 
防振対策
客室が隣接する等で防振対策が必要な場合は下記のような施工もご検討ください。
 
                                                            建築工事との取り合い
 
                                                            - 
	ヘルスパ回りの壁工事は躯体等が、本体の配管等と接触しないようにご注意ください。本体と床上仕上面との間は5~10mm空けてコーキング処理して下さい。 
- 
	ヘルスパの重量を支持脚以外で受けるような施工はしないで下さい。 
設備工事との取り合い
 
                                                            ヘルスパ回りの配管は原則HIVPです。各接続口はソケット止めになっております。接続は設備工事でお願いします。
配管工事のご注意
 
                                                            - 
	ブロー配管は途中で必ず水面(WL)から500mm程度立ち上げて、逆流を防止して下さい。 
- 
	配管材料は白ガス管・鋼管は使用しないで下さい。HIVPかHTVPが良いと思われます。 
- 
	ジェットポンプは必ず吸い込みノズルよりも下に設置して下さい。 
施工依頼について
浴槽施工・現地調査も全国承っております。フォームよりお問い合わせください(地域・時期によっては施工が手配できない場合もございます)
 
                                                             
                                                             
                                                            